Постоянная связь с QUINT UPS для обеспечения постоянного контроля и интеллектуального управления. Быстрый монтаж возможен благодаря автоматическому распознаванию аккумуляторного модуля и его замене без инструментов в рабочем режиме. Батарейные модули для QUINT UPS с технологией IQ поступают на наш товарный склад полностью заряженными.
| Общая информация | |
| Указания по использованию аккумулятора | Это изделие содержит аккумулятор с ограниченным сроком годности, который необходимо заряжать каждые несколько месяцев. На упаковке изделия имеется маркировка, указывающая на необходимость ввода аккумулятора в эксплуатацию или его подзарядки. Общий срок годности можно найти в разделе «Энергоаккумулятор» под заголовком «Последний ввод в эксплуатацию». |
| Вход | |
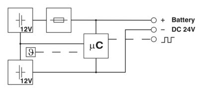
| Входное напряжение | 24 В DC (SELV) |
| Номинальная емкость | 4 Ач |
| Ток зарядки | 1,2 A |
| Конечное напряжение заряда | 27,6 В DC (20 °C) |
| Выход | |
| Выходное напряжение | 24 В DC |
| Выходной ток | max. 25 A |
| Выходные предохранители | 1x 25 A |
| Время автономной работы | 4,5 мин (20 A) |
| 3 мин (25 A) | |
| Общая информация | |
| Возможность параллельного подключения | да |
| max. 5 | |
| Возможность последовательного подключения | нет |
| Тип батареи | BB Battery HR4.2-12FR |
| Аккумуляторная технология | VRLA-AGM |
| IQ-Technology | да |
| Крайний срок запуска (только для аккумулятора) | 6 Месяцы (0 °C ... 20 °C) |
| Крайний срок запуска (только для аккумулятора) - диапазон | 3 Месяцы ... 6 Месяцы (20 °C ... 30 °C) |
| 1 Месяцы ... 3 Месяцы (30 °C ... 40 °C) | |
| Срок службы аккумуляторного модуля (согласно Eurobat) | 6 (20 °C) |
| Носитель информации | VRLA-AGM |
| Обозначение размера | Block |
| Аккумулятор | да |
| Подходит для быстрой зарядки | да |
| Датчик температуры | да |
| Количество комплектов запасных аккумуляторов | 1x (UPS-BAT-KIT/PB/2X12V/4AH (1283116)) |
| Аккумулятор | |
| Позиция | 4.x |
| Технология подключения | |
| Обозначение полюсов | 4.1 (+), 4.2 (-) |
| Соединение провода | |
| Тип подключения | Винтовые зажимы |
| жесткий | 0,2 мм² ... 4 мм² |
| 4 мм² (рекомендуется) | |
| гибкий | 0,2 мм² ... 4 мм² |
| 4 мм² (рекомендуется) | |
| гибкий с наконечником без пластиковой втулки | 4 мм² (рекомендуется) |
| гибкий с наконечником с пластиковой втулкой | 0,25 мм² ... 4 мм² |
| AWG | 24 ... 10 |
| 12 ... 10 (рекомендуется) | |
| Длина снятия изоляции | 8 мм (рекомендуется) |
| 8 мм | |
| Момент затяжки | 0,5 Нм ... 0,6 Нм |
| 5 lbf-in. ... 7 lbf-in. | |
| Форма привода, головка винта | Прямой шлиц L |
| LIN | |
| Позиция | 4.x |
| Технология подключения | |
| Обозначение полюсов | 4.3 () |
| Соединение провода | |
| Тип подключения | Винтовые зажимы |
| жесткий | 0,2 мм² ... 4 мм² (LIN) |
| гибкий | 0,2 мм² ... 4 мм² (LIN) |
| гибкий с наконечником без пластиковой втулки | 0,25 мм² ... 4 мм² (LIN) |
| гибкий с наконечником с пластиковой втулкой | 0,25 мм² ... 4 мм² (LIN) |
| AWG | 24 ... 10 (LIN) |
| Длина снятия изоляции | 8 мм (LIN) |
| Момент затяжки | 0,5 Нм ... 0,6 Нм (LIN) |
| 5 lbf-in. ... 7 lbf-in. (LIN) | |
| Форма привода, головка винта | Прямой шлиц L |
| Тип изделия | Аккумуляторный модуль |
| Серия изделий | Аккумуляторный модуль (устройство с аккумулятором) |
| Применение | для QUINT4 DC-UPS, QUINT4 AC-UPS, QUINT-UPS и TRIO-UPS-2G |
| Утилизация | Старые батареи нельзя выбрасывать с бытовым мусором, их утилизация должна осуществляться согласно действующим национальным требованиям. |
| Изоляционные характеристики | |
| Степень защиты | III |
| Степень загрязнения | 2 |
| Размеры изделия | |
| Ширина | 85 мм |
| Высота | 191 мм |
| Глубина | 110 мм |
| Отверстие | |
| Диаметр | 5 мм |
| Установочный размер | |
| Монтажное расстояние справа/слева | 0 мм / 0 мм |
| Монтажное расстояние сверху/снизу | 5 мм / 5 мм |
| Монтажное положение | горизонтальная DIN-рейка NS 35, EN 60715 |
| Материал корпуса | Металл |
| Исполнение корпуса | Оцинкованный стальной лист, с порошковым покрытием |
| Условия окружающей среды | |
| Степень защиты | IP20 |
| Температура окружающей среды (хранение/транспорт) | -20 °C ... 40 °C |
| Температура окружающей среды (зарядка) | 0 °C ... 40 °C |
| Температура окружающей среды (разрядка) | -20 °C ... 50 °C |
| Макс. допустимая отн. влажность воздуха (при эксплуатации) | ≤ 95 >#/td### |
| Ударопрочность | 15г, 11 мс, в каждом направлении (согласно МЭК 60068-2-27) |
| Вибрация (при эксплуатации) | 5 Гц … 100 Гц, 0,7г (согласно DNV / МЭК 60068-2-6) |
| UL | |
| Маркировка | UL/C-UL Listed UL 61010-1 |
| UL | |
| Маркировка | UL/C-UL Listed ANSI/UL 121201 Class I, Division 2, Groups A, B, C, D (Hazardous Location) |
| Судостроение | |
| Маркировка | DNV |
| Судостроение | |
| Маркировка | ABS |
| Судостроение | |
| Маркировка | LR |
| Судостроение | |
| Маркировка | BV |
| Применение во взрывоопасных зонах | нет |
| Номер артикула | 1274117 |
| Упаковочная единица | 1 Количество |
| Минимальное количество, предусмотренное условиями заказа | 1 Количество |
| Ключ изделия | CMUEV3 |
| GTIN | 4063151466619 |
| Вес/шт. (с упаковкой) | 4 048 g |
| Вес/шт. (без упаковки) | 3 540 g |
| Номер таможенного тарифа | 85072080 |
| Страна происхождения | CN |
Любыеанглийскийкитайскийнемецкийнидерландскийфранцузский
| |||
| |||
| |||
| |||
| |||
| |||
| |||
| |||
| |||
| |||
| |||
| |||
| |||
| |||
| |||
| |||
| |||
| |||
| |||
| |||
| |||
| |||
| |||
| |||
| |||
| |||
| |||
| |||
| |||
Отзывы не найдены