Импульсный источник питания QUINT POWER, Винтовые зажимы, Установка на монтажную рейку, SFB Technology (Selective Fuse Breaking), вход: 1-фазный, выход: 24 В DC / 20 A, настройка в диапазоне 18 В DC ... 29,5 В DC
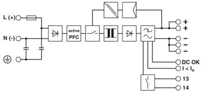
Источники питания QUINT POWER с большим набором функций
Для выборочной и экономичной защиты установок QUINT POWER быстро инициирует магнитное срабатывание линейного защитного автомата, используя 6-кратный номинальный ток. Предупредительный контроль распознает критические рабочие состояния, позволяя предпринимать меры до появления неисправности и обеспечивая высокую степень готовности оборудования.
Надежный запуск высоких нагрузок производится благодаря статическому резервированию мощности POWER BOOST. Возможность настройки напряжения позволяет работать в диапазоне от 5 В DC до 56 В DC.
| Режим AC |
| Диапазон номинальных напряжений на входе | 100 В AC ... 240 В AC |
| Диапазон входных напряжений | 100 В AC ... 240 В AC -15 % ... +10 >#/td### |
| Оbniżenie parametrów znamionowych IStat. Boost | < 100 В AC (1 %/B) |
| Диапазон входных напряжений AC | 85 В AC ... 264 В AC |
| Диапазон входных напряжений постоянного тока | 90 В DC ... 350 В DC |
| Макс. электрическая прочность | 300 В AC |
| Стандартное сетевое напряжение | 120 В AC |
| 230 В AC |
| Тип напряжения питания | Перем. ток |
| Импульс пускового тока | < 20 A |
| Интеграл импульса тока при включении (I2t) | < 3,2 A2c |
| Ограничение импульсного тока включения | 20 A |
| Диапазон частот AC | 45 Гц ... 65 Гц |
| Диапазон частот DC | 0 Гц |
| Время автономной работы | > 32 мс (120 В AC) |
| > 32 мс (230 В AC) |
| Потребляемый ток | 7 A (100 В AC) |
| 5,8 A (120 В AC) |
| 3 A (230 В AC) |
| 3,1 A (240 В AC) |
| Номинальная потребляемая мощность | 569 ВА |
| Защитная схема | Защита от перенапряжений при переходных процессах; Варистор |
| Коэффициент мощности (cos phi) | 0,89 |
| Время включения, типовое | < 0,6 c |
| Входной предохранитель | 12 A (инертного типа, внутренний) |
| Допустимый входной предохранитель | B10 B16 AC: |
| Допустимый предохранитель пост. тока | Пост. ток: тока подключите подходящий предохр-ль |
| Выбор подходящего предохранителя для защиты на входе | 10 A ... 16 A (Характеристика B, C, D, K) |
| Ток утечки на PE | < 3,5 мА |
| Режим DC |
| Диапазон номинальных напряжений на входе | 110 В DC ... 250 В DC |
| Диапазон входных напряжений | 110 В DC ... 250 В DC -18 % ... +40 >#/td### |
| Оbniżenie parametrów znamionowych IStat. Boost | < 110 В DC (1 %/B) |
| Потребляемый ток | 6,3 A (110 В DC) |
| 2,8 A (220 В DC) |
| КПД | тип. 92 % (120 В AC) |
| тип. 92,7 % (230 В AC) |
| Выходная характеристика | U/I |
| Номинальное напряжение | 24 В DC ±1 >#/td### |
| Диапазон настройки выходного напряжения (USet) | 18 В DC ... 29,5 В DC (> 24 В DC, ограничение по постоянной мощности) |
| Номинальный ток на выходе (IN) | 20 A |
| POWER BOOST (IBoost) | 26 A (-25 °C ... 40 °C, в непрерывном режиме, UOUT = 24 В DC) |
| Статичный Boost (IStat.Boost) | 26 A |
| Selective Fuse Breaking (ISFB) | 120 A (12 мс) |
| Электромагнитный расцепитель | B2 / B4 / B6 / B10 / B16 / C2 / C4 / C6 |
| Oграничение рабочих характеристик | 60 °C ... 70 °C (2,5 %/K) |
| Устойчивость к обратной связи | ≤ 35 В DC |
| Защита от перенапряжения на выходе (OVP) | ≤ 35 В DC |
| Рассогласование | < 1 % (статическое изменение нагрузки 10 % ... 90 %) |
| < 2 % (динамическое изменение нагрузки 10 % ... 90 %) |
| < 0,1 % (отклонение входного напряжения ±10 %) |
| Остаточная пульсация | < 30 мB(ДА) (при номинальном значении) |
| Защищен от короткого замыкания | да |
| Выходная мощность | 480 Вт |
| 624 Вт |
| Рассеиваемая мощность, без нагрузки, макс. | 8 Вт |
| Рассеиваемая мощность, номинальная нагрузка, макс. | 40 Вт |
| Время нарастания | < 0,1 c (Uвых (10 % ... 90 %)) |
| Возможность параллельного подключения | да, резервирование и повышение мощности |
| Возможность последовательного подключения | да |
| Сигнал: при нормальном постоянном напряжении, активный |
| Описание выходов | Uвых > 0,9 x Uн: Максимальный сигнал |
| Диапазон напряжений переключения | 18 В DC ... 24 В DC |
| Максимальный пусковой ток | ≤ 20 мА (защищен от коротких замыканий) |
| Ток длительной нагрузки | ≤ 20 мА |
| Сигнал: при нормальном постоянном напряжении, сухой |
| Описание выходов | Релейный контакт, Uвых > 0,9 x Uн: контакт замкнут |
| Максимальное напряжение переключения | 30 В AC |
| 24 В DC |
| Максимальный пусковой ток | 0,5 A |
| 1 A |
| Ток длительной нагрузки | ≤ 1 A |
| Сигнал: POWER BOOST, активн. |
| Описание выходов | IOUT < IN: максимальный сигнал |
| Диапазон напряжений переключения | 18 В DC ... 24 В DC |
| Выходное напряжение | + 24 В DC |
| Максимальный пусковой ток | 20 мА (защищен от коротких замыканий) |
| Ток длительной нагрузки | ≤ 20 мА |
| Вход |
| Тип подключения | Винтовые зажимы |
| Сечение жесткого проводника мин. | 0,2 мм² |
| Сечение жесткого проводника макс. | 6 мм² |
| Сечение гибкого проводника мин. | 0,2 мм² |
| Сечение гибкого проводника макс. | 4 мм² |
| Сечение провода AWG мин. | 18 |
| Сечение провода AWG макс. | 10 |
| Длина снятия изоляции | 7 мм |
| Резьба винтов | M4 |
| Мин. момент затяжки | 0,5 Нм |
| Момент затяжки, макс. | 0,6 Нм |
| Выход |
| Тип подключения | Винтовые зажимы |
| Сечение жесткого проводника мин. | 0,2 мм² |
| Сечение жесткого проводника макс. | 6 мм² |
| Сечение гибкого проводника мин. | 0,2 мм² |
| Сечение гибкого проводника макс. | 4 мм² |
| Сечение провода AWG мин. | 12 |
| Сечение провода AWG макс. | 10 |
| Длина снятия изоляции | 7 мм |
| Резьба винтов | M4 |
| Мин. момент затяжки | 0,5 Нм |
| Момент затяжки, макс. | 0,6 Нм |
| Сигнал |
| Тип подключения | Винтовые зажимы |
| Сечение жесткого проводника мин. | 0,2 мм² |
| Сечение жесткого проводника макс. | 6 мм² |
| Сечение гибкого проводника мин. | 0,2 мм² |
| Сечение гибкого проводника макс. | 4 мм² |
| Сечение провода AWG мин. | 18 |
| Сечение провода AWG макс. | 10 |
| Резьба винтов | M4 |
| Мин. момент затяжки | 0,5 Нм |
| Момент затяжки, макс. | 0,6 Нм |
| Виды подачи сигнала | СИД |
| активный коммутационный выход |
| Релейный контакт |
| Сигнальный выход: при нормальном постоянном напряжении, активный |
| Индикатор состояния | UOUT > 0,9 x UN: светодиод "DC OK" зеленого цвета |
| Указание по индикации состояния | UOUT < 0,9 x UN: светодиод "DC OK" мигает |
| IOUT < IN: светодиод горит |
| Сигнальный выход: при нормальном постоянном напряжении, сухой |
| Индикатор состояния | UOUT > 0,9 x UN: светодиод "DC OK" зеленого цвета |
| Указание по индикации состояния | UOUT < 0,9 x UN: светодиод "DC OK" мигает |
| Сигнальный выход: POWER BOOST, активн. |
| Индикатор состояния | IOUT > IN: светодиод "BOOST", желтого цвета |
| Количество фаз | 1 |
| Напряжения изоляции на входе / выходе | 4 кВ AC (Типовое исп.) |
| 2 кВ AC (Выборочное исп.) |
| Напряжения изоляции, выход/PE | 500 В DC (Выборочное исп.) |
| Напряжения изоляции, вход/PE | 3,5 кВ AC (Типовое исп.) |
| 2 кВ AC (Выборочное исп.) |
| Серия изделий | QUINT POWER |
| MTBF (IEC 61709, SN 29500) | > 900000 ч (25 °C) |
| > 520000 ч (40 °C) |
| > 235000 ч (60 °C) |
| Изоляционные характеристики |
| Степень защиты | I |
| Степень загрязнения | 2 |
| Ширина | 90 мм |
| Высота | 130 мм |
| Глубина | 125 мм |
| Установочный размер |
| Монтажное расстояние справа/слева | 5 мм / 5 мм |
| Монтажное расстояние сверху/снизу | 50 мм / 50 мм |
| Альтернативный способ монтажа |
| Ширина | 122 мм |
| Высота | 130 мм |
| Глубина | 93 мм |
| Тип монтажа | Установка на монтажную рейку |
| Указания по монтажу | присоединяемый PN ≥50 %, отступ по горизонтали 5 мм, между активными модулями 15 мм, по вертикали 50 мм
присоединяемый PN <50 %, отступ по горизонтали 0 мм, по вертикали сверху 40 мм, по вертикали снизу 20 мм |
| Монтажное положение | горизонтальная DIN-рейка NS 35, EN 60715 |
| Защитное покрытие | нет |
| Материал корпуса | Металл |
| Исполнение крышки | Оцинкованная листовая сталь, без хрома(VI) |
| Исполнение бокового элемента | Алюминий |
| Условия окружающей среды |
| Степень защиты | IP20 |
| Температура окружающей среды (при эксплуатации) | -25 °C ... 70 °C (> 60 °C Derating: 2,5 %/K) |
| Температура окружающей среды (хранение/транспорт) | -40 °C ... 85 °C |
| Температура окружающей среды (протестировано по типу запуска) | -40 °C |
| Рабочая высота | ≤ 5000 м (> 2000 м, следует учитывать снижение характеристик) |
| Климатический класс | 3K22 (согласно EN 60721-3-3) |
| Макс. допустимая отн. влажность воздуха (при эксплуатации) | ≤ 95 % (при 25 °C, без выпадения конденсата) |
| Ударопрочность | 18 мс, 30г на каждую ось (согласно МЭК 60068-2-27) |
| Вибрация (при эксплуатации) | < 15 Гц, амплитуда ±2,5 мм (согласно МЭК 60068-2-6) |
| 15 Гц ... 150 Гц, 2,3r, 90 мин. |
| Temp Code | T4 (-25 ... +70 °C; > 60 °C, Derating: 2,5 %/K) |
| Применение в железнодорожной отрасли | EN 50121-4 |
| EN 50121-3-2 |
| HART FSK Physical Layer Test Specification Compliance | Выходное напряжение UOut соответственно |
| Стандарт - требования к сетям питания (ограничение гармонических искажений) | EN 61000-3-2 |
| Стандарт - электробезопасность | IEC 61010-2-201 (SELV) |
| Стандарт - безопасность работы устройств | BG (Тип проверен) |
| Норма - Медицинский допуск | МЭК 60601-1, 2 x MOOP |
| Стандарт - безопасные малые напряжения | IEC 61010-1 (SELV) |
| МЭК 61010-2-201 (PELV) |
| Стандарт - безопасная изоляция | IEC 61010-2-201 |
| Стандарт: Безопасность электрических контрольно-измерительных приборов и лабораторного оборудования | МЭК 61010-1 |
| Допуск - Отвечает требованиям полупроводниковой промышленности в отношении защиты от провалов сетевого питания | Сертификат соответствия SEMI F47-0706 |
| Категория перенапряжения |
| EN 61010-1 | II (≤ 5000 м) |
| EN 62477-1 | III (≤ 2000 м) |
| EN 61558-2-16 | II (≤ 4000 м) |
| CSA | CAN/CSA-C22.2 № 60950-1-07 |
| CSA-C22.2 № 107.1-01 |
| Разрешение на применение в судостроении | DNV GL (EMC B, с предварительно включенным фильтром), ABS, LR, RINA, NK, BV |
| SIQ | BG (тип одобрен) |
| Сертификация UL | UL Listed UL 508 |
| UL/C-UL, одобренный UL 60950-1 |
| UL 121201 & CSA C22.2 No. 213-17 Class I, Division 2, Groups A, B, C, D T4 (Hazardous Location) |
| Электромагнитная совместимость | Соответствие директиве EMV 2014/30/EU |
| Директива по низкому напряжению | Соответствие Директиве по низкому напряжению 2014/35/ЕС |
| Требования по ЭМС к степени эмиссии помех | EN 61000-6-3 |
| EN 61000-6-4 |
| Требования по ЭМС к помехозащищенности | EN 61000-6-1 |
| EN 61000-6-2 |
| Излучение помех |
| Стандарты/нормативные документы | EN 55011 (EN 55022) |
| Разряд статического электричества |
| Стандарты / нормативные документы | EN 61000-4-2 |
| Разряд статического электричества |
| Разряд между контактами | 8 кВ (Уровень контроля 4) |
| Воздушный разряд | 15 кВ (Уровень контроля 4) |
| Примечания | Критерий A |
| Электромагнитное высокочастотное поле |
| Стандарты / нормативные документы | EN 61000-4-3 |
| Электромагнитное высокочастотное поле |
| Диапазон частот | 80 МГц ... 1 ГГц |
| Напряженность проверочного поля | 20 В/м (Уровень контроля 3) |
| Диапазон частот | 1 ГГц ... 2 ГГц |
| Напряженность проверочного поля | 10 В/м (Уровень контроля 3) |
| Диапазон частот | 2 ГГц ... 3 ГГц |
| Напряженность проверочного поля | 10 В/м (Уровень контроля 3) |
| Примечания | Критерий A |
| Быстрые переходные процессы (всплески) |
| Стандарты / нормативные документы | EN 61000-4-4 |
| Быстрые переходные процессы (всплески) |
| Вход | 4 кВ (Уровень контроля 4 - асимметричный) |
| Выход | 2 кВ (Уровень контроля 3 - асимметричный) |
| Сигнал | 2 кВ (Уровень контроля 4 - асимметричный) |
| Примечания | Критерий A |
| Нагрузка при ударном напряжении (импульсное перенапряжение) |
| Стандарты / нормативные документы | EN 61000-4-5 |
| Нагрузка при ударном напряжении (импульсное перенапряжение) |
| Вход | 2 кВ (Уровень контроля 3 - симметричный) |
| 4 кВ (Уровень контроля 4 - асимметричный) |
| Выход | 1 кВ (Уровень контроля 2 - симметричный) |
| 2 кВ (Уровень контроля 3 - асимметричный) |
| Сигнал | 1 кВ (Уровень контроля 2 - асимметричный) |
| Примечания | Критерий A |
| Влияние помех по цепи питания |
| Стандарты / нормативные документы | EN 61000-4-6 |
| Влияние помех по цепи питания |
| Вход/выход/сигнал | асимметричный |
| Диапазон частот | 0,15 МГц ... 80 МГц |
| Примечания | Критерий A |
| Напряжение | 10 В (Уровень контроля 3) |
| Излучение помех |
| Стандарты / нормативные документы | EN 61000-6-3 |
| Напряжение радиопомех согл. EN 55011 | EN 55011 (EN 55022) класс B, использование в промышленных и жилых помещениях |
| Излучение радиопомех согл. EN 55011 | EN 55011 (EN 55022) класс B, использование в промышленных и жилых помещениях |
| Критерии |
| Критерий А | Нормальные рабочие параметры со значениями в заданных пределах. |
| Критерий B | Временное ухудшение рабочих параметров, которое устраняется самим устройством. |
| Номер артикула | 2866776 |
| Упаковочная единица | 1 Количество |
| Минимальное количество, предусмотренное условиями заказа | 1 Количество |
| Ключ изделия | CMPQ13 |
| GTIN | 4046356113557 |
| Вес/шт. (с упаковкой) | 2 230 g |
| Вес/шт. (без упаковки) | 1 608 g |
| Номер таможенного тарифа | 85044095 |
| Страна происхождения | TH |
Номинальный ток,( In ) (А):
20