- Внешнее формирование напряжения оперативного питания
- Установка порогов Uмин и Uмакс для Ввода1 и Ввода2
- Контроль наличия, чередования, обрыва фаз для Ввода 1 и Ввода 2
- Установка времени включения, отключения и возврата на приоритетный ввод
- Нагрузочная способность контактов управления механизмами 10А
- Нагрузочная способность контактов оперативного питания 5А
- Встроенное реле для аварийной сигнализации
- Возможность дистанционной блокировки кнопок лицевой панели
- Удаленное управление и считывание состояний вводов и нагрузок по протоколу Modbus RTU через интерфейс RS485
БЕСПЛАТНОЕ ПО для управления МАВР - скачать (Windows)
ВНИМАНИЕ! ПО в МАВРах не работает с адаптерами компании Moxa.
ПО работает с: https://www.sparkfun.com/products/9822 https://roboshop.spb.ru/modules/interfejsy-i-perekhodniki/rs485/ft232
НАЗНАЧЕНИЕ
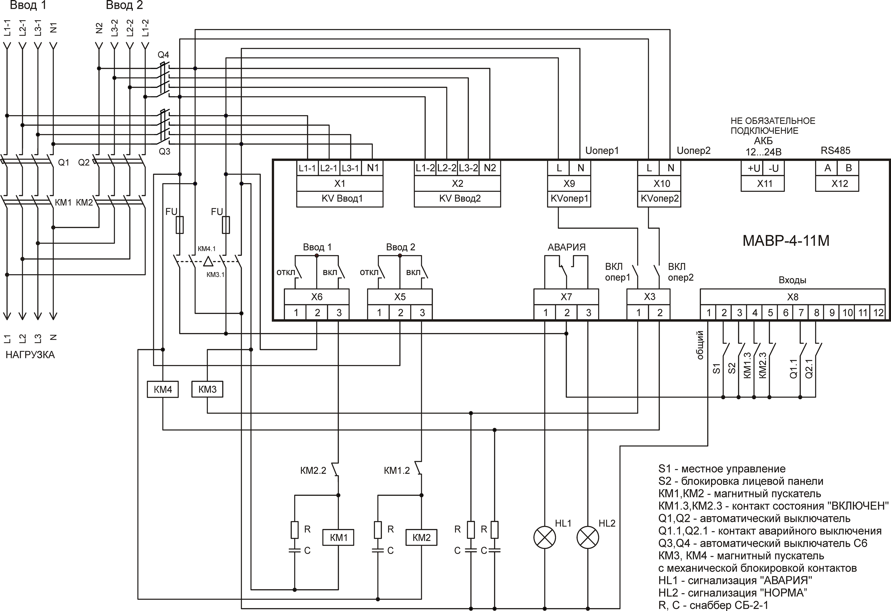
Модуль автоматического ввода резерва МАВР-4-11М (далее Устройство) предназначен для использования в схеме питания два вводаи и одна нагрузка. Устройствот управляет коммутационными механизмами для переключения нагрузок с основного источника питания на резервный (при возникновении аварии на основном вводе) и возврат к исходной схеме питания при нормализации рабочих параметров основного источника питания. Управление коммутационными механизмами осуществляется в ручном или автоматическом режиме. В качестве коммутационных механизмов могут применяться электромагнитные контакторы или автоматические выключатели (с моторприводом).
Устройство позволяет осуществлять удаленное управление и считывание состояний коммутационных механизмов и вводов по протоколу Modbus RTU через интерфейс RS-485.
ПРИНЦИП РАБОТЫ
Устройство позволяет осуществлять резервирование питания нагрузки в нескольких режимах работы Ввода 1 и Ввода 2:
- ВВОД 1 – однофазный, ВВОД 2 – однофазный
- ВВОД 1 – трехфазный, ВВОД 2 – однофазный
- ВВОД 1 – однофазный, ВВОД 2 – трехфазный
- ВВОД 1 – трехфазный, ВВОД 2 – трехфазный
![]() | ![]() |
НАЗНАЧЕНИЕ ОРГАНОВ УПРАВЛЕНИЯ И ИНДИКАЦИИ НА ЛИЦЕВОЙ ПАНЕЛИ МОДУЛЯ
| Назначение | Описание |
| Индикация состояния Ввода1 и Ввода2 | L1, L2, L3 индикаторы состояния фаз (зеленый – норма, красный – авария, одновременное мигание зеленым/красным - слипание фаз). U< и U> индикаторы вида аварии по вводу: - U< и/или U> включен, недопустимое отклонение напряжения; - U< и U> попеременно включены, нарушение порядка чередования фаз; - U< и U> одновременно мигают, недопустимая частота сети. Зеленый индикатор ГОТОВ - состояние готовности к подключению нагрузки. Горит - ввод готов к подключению нагрузки, не горит - не готов. Мигает - происходит отсчет времени включения или выключения. |
| Индикация состояния оперативного питания | Uопер1 и Uопер2 - индицирует состояние оперативного питания: - зеленый включен, из этого источника сформировано оперативное питание, он активен; - зеленый мигает, напряжение на источнике в допустимых пределах, но он не активен; - красный мигает, напряжение на источнике вне допустимых пределах и он не активен |
| Управление и состояние коммутационными механизмами Ввода1 и Ввода2 | ВВОД1 и ВВОД2 – кнопки изменения режима работы АВР. Желтый индикатор – состояние коммутационного механизма ввода. Горит - коммутационный механизм включен, не горит - выключен. Мигает - происходит переключение, мигает дважды - ошибка обратной связи (переключение не произошло, либо произошло самопроизвольное переключение). Одновременное синхронное мигание - включение на неисправную нагрузку. (см. раздел 7.1 паспорт изделия) Красный индикатор ОТКЛ - сигнализирует об аварийном отключении защитного аппарата ввода (для автоматического выключателя и магнитного пускателя). Красный индикатор УДАЛЕН - сигнализирует о выкатной ячейки автоматического выключателя с мотор-приводом. |
| Управление автоматическим режимом работ | СТОП – кнопка управления режимом работы АВР / остановка работы. АВТО – включение автоматического режима работы АВР. |
| Индикатор аварийного состояния | Красный индикатор АВАРИЯ - включается при срабатывании реле АВАРИЯ. Служит для привлечения внимания обслуживающего персонала |
| НАЗНАЧЕНИЕ ОРГАНОВ УПРАВЛЕНИЯ И ИНДИКАЦИИ НА КОММУТАЦИОННОЙ ПАНЕЛИ МОДУЛЯ |
Х1 - разъем для подключения напряжения Ввода1 Х2 - разъем для подключения напряжения Ввода2 Х3 - разъем сигналов формирования оперативного питания Х4 - разъем для подключения коммутационного механизма Ввода2 Х5 - разъем для подключения коммутационного механизма Ввода1 Х6 - разъем для подключения внешней аварийной сигнализации (сухие контакты) Х7 - разъем дискретных входов модуля для подключения обратных связей и сигналов управления Х8 - Uопер1 - разъем для подключения оперативного питания 1 Х9 - Uопер2 - разъем для подключения оперативного питания 2 Х10 - разъем для подключения питания модуля постоянным током (например АКБ) Х11 - разъем для подключения кабеля RS-485 |
| DIP переключатели предназначены для настройки режимов работы модуля. |
| Поворотные переключатели предназначены для временных настроек и установки пороговых значений контролируемых напряжений. |
ОСНОВНЫЕ АЛГОРИТМЫ ФУНКЦИОНИРОВАНИЯ
Автоматический режим, ВВОД1 и ВВОД 2 – однофазная/трехфазная сеть в любых комбинациях
При подаче питания на ВВОД 1/ВВОД 2 Устройство начинает анализировать параметры сети на входе. Для однофазной сети контролируется соответствие напряжения сети заданным верхнему и нижнему порогам срабатывания. Для трехфазной сети контролируется соответствие напряжения на каждой из фаз заданным порогам, а также порядок чередования, обрыв и слипание фаз. Если все параметры сети в норме, то устройство отсчитывает задержку включения, после чего подключает нагрузку к приоритетному вводу. Если на приоритетном вводе происходит аварийная ситуация, Устройство начинает отсчет задержки отключения аварийного ввода, после чего подключает нагрузку на второй Ввод, если параметры его работы находятся в допустимых пределах. Если и второй Ввод неисправен, по окончании отсчета нагрузка отключается от аварийного ввода и остается без питания до момента, пока на одном из вводов параметры сети не будут соответствовать заданным.
Ручной режим, ВВОД1, ВВОД2 – однофазная/трехфазная сеть в любых комбинациях
При подаче питания на ВВОД 1/ВВОД 2 Устройство начинает анализировать параметры сети на входе. Для однофазной сети контролируется соответствие напряжения сети заданным верхнему и нижнему порогам срабатывания (устанавливаются поворотными переключателями на тыльной стороне устройства). Для трехфазной сети контролируется соответствие напряжения на каждой из фаз заданным порогам, а также порядок чередования, обрыв и слипание фаз. Если все параметры сети в норме, то на лицевой стороне напротив соответствующего ввода загораются зеленые индикаторы – "готов". После чего Устройство переходит в режим ожидания команды управления. При получении команды "ВВОД1" или "ВВОД2" устройство осуществляет подключение нагрузки к приоритетному вводу после отсчета задержки включения. При возникновении аварии на основном вводе начинается отсчет задержки отключения аварийного ввода, после чего нагрузка отключается от сети до момента восстановления параметров работы ввода или до получения команды на подключения на другой ввод. При получении команды "СТОП" Устройство отключает нагрузку от сети. При получении команды "АВТО" Устройство переходит в автоматический режим работы. Если в автоматическом режиме работы будет дана команда включения ВВОДА 1 или ВВОДА 2 Устройство перейдет в режим ручного управления.
Защита от циклического переключения между вводами и циклического подключения/отключения (ошибка однократности):
Если в течение 5 секунд после включения нагрузки на ввод, этот ввод вышел за пределы допуска и произошло отключение нагрузки от него, Устройство делает вывод о том, что это могло произойти из-за влияния нагрузки на ввод. В этом случае нагрузка отключается и больше не подключается к вводам., сигнализируя аварийный режим одновременным включением светодиодов "К1" и "К2" на лицевой стороне. Сброс аварийного режима осуществляется кнопкой "СТОП", либо полным снятием питания с вводов.
РАБОТА МОДУЛЯ
Сервисный режим:
Сервисный режим используется для пуско-наладки АВР после монтажа и позволяет проверить работоспособность исполнительных механизмов, а также их правильное подключение. Включается подачей оперативного напряжения на соответствующий вход. В этом режиме напряжение на вводах не влияет на включение исполнительных механизмов.
Формирование оперативного питания работает штатно.
Кнопки Ввод1, Ввод2 включают или выключают соответствующий коммутационный механизм. Если при нажатии соответствующей кнопки происходит переключение коммутационного механизма, при правильной индикации его состояния (модуль не выводит ошибки по этому, или другим каналам), то подключение произведено правильно и коммутационный механизм работает исправно.
Режим не позволяет осуществить одновременное включение коммутационных механизмов Ввод1, Ввод2.
После отключения сервисного режима происходит сброс ошибок. Допускается удаленно сбрасывать ошибки путем кратковременного (не менее 2 сек.) включения сервисного режима.
Режимы работы:
Выбранный режим работы сохраняется в энергонезависимой памяти. АВР самостоятельно режим работы не меняет. Может быть изменен либо с кнопок лицевой панели, либо путем записи в соответствующий регистр по Modbus RTU.
Режим работы определяет, к какому вводу может быть подключена нагрузка.
Смена режима работы осуществляется длительным нажатием одной или одновременно нескольких кнопок. При смене режима, задержка отключения не отрабатывается, задержка включения отрабатывается штатно и сбрасываются все имеющиеся ошибки.
Смена режимов работы происходит независимо от состояния вводов.
Режимы работы приведены в таблице 1 (в паспорте изделия).
Входы УДАЛЕН и ОТКЛ.
При появлении сигнала УДАЛЕН или ОТКЛ., будут сняты все управляющие сигналы с коммутационного механизма и включится соответствующий индикатор УДАЛЕН или ОКТЛ. При этом использование коммутационного механизма блокируется до сброса ошибки (не до пропадания сигнала УДАЛЕН или ОТКЛ.).
При появлении сигнала с включенного на данный момент коммутационного механизма, нагрузка перейдет в аварийное состояние и питание на нее больше подано не будет.
При появлении сигнала с выключенного на данный момент коммутационного механизма, питание на нагрузку может быть подано с помощью другого коммутационного механизма.
Реле АВАРИЯ.
Реле переходит в состояние АВАРИЯ (реле выключено, замкнуты контакты 1-2), если выполняется хотя бы одно из условий:
- Имеется хоть один сигнал УДАЛЕН;
- Имеется хоть один сигнал ОТКЛ;
- Имеется ошибка хотя бы одной обратной связи коммутационного механизма;
- В режиме АВТО нагрузка не подключена к приоритетному вводу (при включенном приоритете), либо не подключена ни к какому вводу (при выключенном приоритете);
- В режиме Ввод1 либо Ввод2, нагрузка не подключена к Ввод1 либо Ввод2;
- Ни одно оперативное питание не находится в допустимых пределах;
- АВР находится в режиме СТОП.
- Модуль находится в сервисном режиме;
Примечание
Реле АВАРИЯ как и реле для управления коммутационными механизмами являются сухими контактами. На разъем ОП Uопер выдается ОП1 L с разъёма Uопер1 при необходимости включения на выход ОП1, либо ОП2 L с разъёма Uопер2 при необходимости включения ОП2.
ТЕХНИЧЕСКИЕ ХАРАКТЕРИСТИКИ
| Параметр | Ед.изм. | Значение |
| Тип контролируемых линий | (3-х фазная, 4-х проводная) (1 фазная, 2-х проводная) | |
| Количество контролируемых вводов | 2 | |
| Контроль обрыва фазы | Есть | |
| Контроль чередования фаз | Есть | |
| Контроль слипания фаз | Есть | |
| Частота сети | Гц | 45...65 |
| Напряжение на разъемах Ввод1, Ввод2, не более | В | 0 ... 330 |
| Напряжение на контактах разъѐмов X4, X5, X6, не более | В | 250 АС 30 DC |
| Ток через контакты разъѐмов X4, X5, X6, не более | А | 10 (250В AC, 30В DC)1) |
| Износостойкость механическая контактов реле разъѐмов X4, X5, X6, не менее | Циклов | 1x106 |
| Износостойкость электрическая контактов реле разъёмов X4, X5, X6, не менее | Циклов | 1x104 (250В 10А AC1, 30В 10А DC1, цикл вкл.1с/выкл.9c) |
| Допустимое напряжение на разъемах ОП1, ОП2 | В | 230 (-10% ...+15%) 230 (+10% ... +30% до 10 сек.) |
| Мощность потребления собственная суммарная по входам ОП1 и ОП2 (X9, X8), не более | ВА | 6 |
| Напряжение на контактах разъѐма Uопер (X3), не более | В | 277 AC |
| Ток через контакты разъѐма Uопер (X3), не более1) | A | 5 (250В AC1)1) |
| Износостойкость механическая контактов реле разъѐма Uопер, не менее | Циклов | 1x106 |
| Износостойкость электрическая контактов реле разъѐма Uопер (цикл вкл.1с/выкл.9c), менее | Циклов | 1x104 (250В 5А AC1) |
| Допустимое напряжение на входе АКБ | В | 11 ... 15 DC |
| Потребляемая мощность суммарная по входам ОП1 и ОП2 (X9, X8), не более | Вт | 6 |
| Напряжение на контактах разъёма Uопер (X3), не более | В | 277 AC |
| Ток через контакты разъёма Uопер (X3), не более | A | 5 (250В AC1)1) |
| Износостойкость механическая контактов реле разъёма Uопер, не менее | Циклов | 1x106 |
| Износостойкость электрическая контактов реле разъёма Uопер, не менее | Циклов | 1x104 (250В 5А AC1, цикл вкл.1с/выкл.9c) |
| Напряжение на входе АКБ DC | В | 11 ... 15 DC |
| Потребляемая мощность по входу АКБ DC, не более | Вт | 5 |
| Уровень логического нуля по дискретным входам, не более | В | 10 AC |
| Уровень логической единицы по дискретным входам, не менее | В | 50 AC |
| Напряжение дискретного входа, не более | В | 300 AC |
| Порог отключения при повышенном напряжении Ввод1, Ввод2 по Uмакс | В | 240, 250, 260, 265, 270, 275, 280,285, 290, 295 |
| Порог отключения при пониженном напряжении Ввод1, Ввод2 по Uмин | В | 165, 170, 175, 180, 185, 190, 195,200, 210, 220 |
| Погрешность порога срабатывания, не более | >td ###±1,5 | |
| Гистерезис срабатывания РКН | >td ###±2,5 | |
| Задержка возврата на приоритетный ввод | с | 0.5, 2, 5, 10, 20, 40, 60, 80, 100, 120 |
| Задержка отключения | с | 0.1, 0.5, 1, 2, 3, 5, 10, 20, 30, 60 |
| Время включения | 0,1с, 1с, 3с, 15с, 30с, 1мин, 2мин, 3мин, 6мин | |
| Климатическое исполнение и категория размещения по ГОСТ 15150-69 (без образования конденсата) | УХЛ4 | |
| Диапазон рабочих температур | 0C | -20...+55 |
| Температура хранения | 0C | -40...+70 |
| Относительная влажность воздуха | >td ### 80 | |
| Помехоустойчивость от пачек импульсов в соответствии с ГОСТ Р 51317.4.4-99 (IEC/EN 61000-4-4) | уровень 3 (2кВ/5кГц) | |
| Помехоустойчивость от перенапряжения в соответствии с ГОСТ Р 51317.4.5-99 (IEC/EN 61000-4-5) | уровень 3 (2кВ L1-L2) | |
| Степень защиты по корпусу/по клеммам по ГОСТ 14254-96 | IP54/IP20 | |
| Степень загрязнения в соответствии с ГОСТ 9920-89 | 2 | |
| Высота над уровнем моря | м | до 2000 |
| Рабочее положение в пространстве | произвольное | |
| Режим работы | круглосуточный | |
| Срок службы, не менее | лет | 10 |
| Габаритные размеры | м | 144 х 144 х 48 |
| Масса, не более | кг | 0,74 |
| 1) - Обязательно применение цепей защиты от коммутационных выбросов типа снаберный модуль СБ-2-1 |
Диаграмма МАВР-4-11М
Пояснения к диаграмме работы
ВАЖНО! Для безаварийного приёма нагрузки следует учитывать нагрузочную способность вводов. Подключение дополнительной нагрузки на рабочий ввод может вызвать просадку напряжения на вводе и срабатывание автоматики защиты.
01. Ввод1 и Ввод2 в норме, происходит отсчет tвкл.;
02. Отсчет tвкл закончен. Подается сигнал включения на ВВ1 и ВВ2;
03. Ожидание включения ВВ1 и ВВ2 (появления соответствующей обратной связи ОС ВВ1 и ОС ВВ2);
04. ВВ1 и ВВ2 включены. Каждая нагрузка питается от своего ввода;
05. Проходит более 15 сек - tоднократности;
06. Напряжение на Ввод1 выходит за допустимые пределы на время меньшее, чем tоткл. Отключения ВВ1 не происходит;
07. Напряжение на Ввод2 выходит за допустимые пределы. Через время tоткл происходит отключение нагрузки от ввода. Подается сигнал на отключение ВВ2;
08. Ожидание отключения ВВ2 (пропадание соответствующей обратной связи ОС ВВ2);
09. Нагрузка отключена от Ввод1. Ввод2 в допуске, значит нагрузка может быть подключена к Ввод2. Начинается отсчет tвкл.;
10. Отсчет tвкл закончен, начинается подключение нагрузки к Ввод2. Подается сигнал на включение ВВ2 и ожидается его включение.;
11. ВВ2 включен. Нагрузка подключена к Ввод2;
12. Восстановление напряжения на Ввод1 на время меньше tприоритета. Никаких переключений не происходит;
13. Восстановление напряжения на Ввод1. Через время tприоритета начинается переключение нагрузки на Ввод1. Подается сигнал на отключение ВВ2 и ожидается его отключение;
14. Отключен ВВ2. Через tвкл подается сигнал на включение ВВ1 и ожидается его включение;
15. ВВ1 включен. Нагрузка подключена к Ввод1;
16. Напряжение на Ввод1 выходит за допустимые пределы ранее, чем пройдет tоднократности с момента включения ВВ1. Начинается отсчет tоткл.;
17. Отсчет tоткл закончен. Так как при подключении нагрузки к Ввод1 произошел выход напряжения на Ввод1 за допустимые пределы и произошло отключение нагрузки, фиксируется ошибка однократности;
18. ВВ1 и ВВ2 отключены. Нагрузка обесточена. Управления моторприводами более не происходит до сброса ошибки.
ОСНОВНЫЕ ОСОБЕННОСТИ
- Регулировка времени задержки включения нагрузки;
- Регулировка времени задержки отключения нагрузки;
- Регулировка времени задержки возврата на приоритетный ввод;
- Работа с приоритетным вводом или без;
- Индикаторы состояния вводов и текущего состояния устройства;
- Возможность дистанционной блокировки кнопок лицевой панели;
- Установка порогов срабатывания по фазному напряжению для каждого из вводов;
- Цепи управления внешними коммутационными устройствами 16А (АС1)/AC230В;
- Возможность удаленного управления и считывания состояний вводов и нагрузок по протоколу Modbus RTU через интерфейс RS485.
СХЕМЫ ПОДКЛЮЧЕНИЯ АВР
Схема АВР с магнитными пускателями
Схема АВР c автоматическими выключателями (например с моторприводами)
ГАБАРИТНЫЕ РАЗМЕРЫ
Верхний порог переключения фаз Регулируемый (240-295В)
Вес 0.8
Время включения основного ввода при восстановлении напряжения Регулируемое (0,5-120сек)
Габаритные размеры (ШхВхГ) 144х144х48
Гальваническая развязка N проводника контролируемых вводов Есть
Гарантия производителя 2 года
Диапазон рабочих температур -25…+55°С
Количество контролируемых вводов 2
Напряжение питания Переменное
Напряжение питания AC (переменное) 150-330
Нижний порог переключения фаз Регулируемый (165-220В)
Относительная влажность воздуха до 80% (при 25°С)
Работа с приоритетной фазой Есть
Сечение подключаемых проводников 2,5
Срок службы 10 лет
Степень защиты реле по корпусу / по клеммам по ГОСТ 14254-96 IP20/IP20
Страна происхождения Россия
Частота напряжения питания (АС) 50
Бренд Меандр
Отзывы не найдены





