НАЗНАЧЕНИЕ
Модуль автоматического ввода резерва МАВР-4-21М (далее Устройство) предназначен для использования в схеме питания два ввода, две нагрузки с секционным выключателем. Устройствот управляет коммутационными механизмами для переключения нагрузок с основного источника питания на резервный с помощью секционного выключателя, при возникновении аварии на основном вводе, и возврат к исходной схеме питания при нормализации рабочих параметров основного источника питания. Управление коммутационными механизмами осуществляется в ручном или автоматическом режиме. В качестве коммутационных механизмов могут применяться электромагнитные контакторы или автоматические выключатели с моторприводом.
Устройство позволяет осуществлять удаленное управление и считывание состояний коммутационных механизмов и вводов по протоколу Modbus RTU через интерфейс RS-485.
ПРИНЦИП РАБОТЫ
Устройство позволяет осуществлять резервирование питания нагрузки в нескольких режимах работы Ввода 1 и Ввода 2:
- ВВОД 1 – однофазный, ВВОД 2 – однофазный
- ВВОД 1 – трехфазный, ВВОД 2 – однофазный
- ВВОД 1 – однофазный, ВВОД 2 – трехфазный
- ВВОД 1 – трехфазный, ВВОД 2 – трехфазный
![]() | ![]() |
ОСНОВНЫЕ АЛГОРИТМЫ ФУНКЦИОНИРОВАНИЯ
Автоматический режим, ВВОД1 и ВВОД 2 – однофазная/трехфазная сеть в любых комбинациях
При подаче питания на ВВОД 1/ВВОД 2 Устройство начинает анализировать параметры сети на входе. Для однофазной сети контролируется соответствие напряжения сети заданным верхнему и нижнему порогам срабатывания. Для трехфазной сети контролируется соответствие напряжения на каждой из фаз заданным порогам, а также порядок чередования, обрыв и слипание фаз. Если все параметры сети в норме, то устройство отсчитывает задержку включения нагрузки после чего подключает нагрузку1 к ВВОДУ 1, а нагрузку2 к ВВОДУ 2. Если на одном из вводов происходит аварийная ситуация, Устройство начинает отсчет задержки отключения аварийного ввода. После чего подключает нагрузку на второй ввод с помощью секционного выключателя, если параметры его работы находятся в допустимых пределах. Если и второй Ввод неисправен, по окончании отсчета нагрузка отключается от аварийного ввода и остается без питания до момента, пока на одном из вводов параметры сети не будут соответствовать заданным.
Ручной режим, ВВОД1, ВВОД2 – однофазная/трехфазная сеть в любых комбинациях
При подаче питания на ВВОД 1/ВВОД 2 Устройство начинает анализировать параметры сети на входе. Для однофазной сети контролируется соответствие напряжения сети заданным верхнему и нижнему порогам срабатывания (устанавливаются поворотными переключателями на лицевой стороне устройства). Для трехфазной сети контролируется соответствие напряжения на каждой из фаз заданным порогам, а также порядок чередования, обрыв и слипание фаз. Если все параметры сети в норме, то на лицевой стороне напротив соответствующего ввода загораются зеленые индикаторы – "готов". После чего Устройство переходит в режим ожидания команды управления. При получении команды "ВВОД1" или "ВВОД2" устройство осуществляет подключение нагрузки1 и нагрузки2 к соответствующему вводу после отсчета задержки включения нагрузки. При возникновении аварии на вводе начинается отсчет задержки отключения аварийного ввода, после чего нагрузка отключается от сети до момента восстановления параметров работы ввода или до получения команды на подключения на другой ввод. При получении команды "СТОП" Устройство отключает обе нагрузки от сети. При получении команды "АВТО" Устройство переходит в автоматический режим работы. Если в автоматическом режиме работы будет дана команда включения "ВВОДА 1" или "ВВОДА 2" Устройство перейдет в режим ручного управления.
Защита от циклического переключения между вводами и циклического подключения/отключения (ошибка однократности):
Если в течение 5 секунд после включения нагрузки на ввод, этот ввод вышел за пределы допуска и произошло отключение нагрузки от него, Устройство делает вывод о том, что это могло произойти из-за влияния нагрузки на ввод. В этом случае нагрузка отключается и больше не подключается к вводам., сигнализируя аварийный режим одновременным включением светодиодов "К1" и "К2" на лицевой стороне. Сброс аварийного режима осуществляется кнопкой "СТОП", либо полным снятием питания с вводов.
Диаграмма работы МАВР-4-21М
Пояснения к диаграмме работы
ВАЖНО! Для безаварийного приёма нагрузки следует учитывать нагрузочную способность вводов. Подключение дополнительной нагрузки на рабочий ввод может вызвать просадку напряжения на вводе и срабатывание автоматики защиты.
01. Ввод1 и Ввод2 в норме, происходит отсчет tвкл.;
02. Отсчет tвкл закончен. Подается сигнал включения на ВВ1 и ВВ2;
03. Ожидание включения ВВ1 и ВВ2 (появления соответствующей обратной связи ОС ВВ1 и ОС ВВ2);
04. ВВ1 и ВВ2 включены. Каждая нагрузка питается от своего ввода;
05. Проходит более 15 сек - tоднократности;
06. Напряжение на Ввод1 выходит за допустимые пределы на время меньшее, чем tоткл. Отключения ВВ1 не происходит;
07. Напряжение на Ввод2 выходит за допустимые пределы. Через время tоткл происходит отключение нагрузки от ввода. Подается сигнал на отключение ВВ2;
08. Ожидание отключения ВВ2 (пропадание соответствующей обратной связи ОС ВВ2);
09. Нагрузка2 отключена от Ввод2. Нагрузка1 подключена к Ввод1, значит на Ввод1 через СВ может быть подключена Нагрузка2. Начинается отсчет tвкл.;
10. Отсчет tвкл закончен, начинается подключение Нагрузка2 к Ввод1 через СВ. Подается сигнал на включение СВ;
11. Ожидание включения СВ (появление соответствующей обратной связи ОС СВ);
12. СВ включен. Нагрузка1 и Нагрузка2 подключены к Ввод1;
13. Восстановление напряжения на Ввод2 на время меньше tприоритета. Никаких переключений не происходит;
14. Восстановление напряжения на Ввод2;
15. Через время tприоритета начинается переключение Нагрузка2 на свой ввод. Подается сигнал на отключение СВ;
16. Ожидание отключения СВ (пропадание соответствующей обратной связи ОС СВ);
17. СВ отключен. Начинается отсчет tвкл.;
18. Отсчет tвкл закончен. Нагрузка2 подключается на свой ввод. Подается сигнал на включение ВВ2.
19. Ожидание включения ВВ2 (появление соответствующей обратной связи ОС ВВ2);
20. ВВ2 включен, Нагрузка2 подключена к Ввод2;
21. Напряжение на Ввод2 выходит за допустимые пределы ранее, чем пройдет tоднократности с момента включения ВВ2. Начинается отсчет tоткл.;
22. Отсчет tоткл завершен. Так как при подключении Нагрузка2 в течение tоднократности произошел выход напряжения на Ввод2 за допустимые пределы и произошло отключение нагрузки, фиксируется ошибка однократности;
Начинается отключение Нагрузка2 от Ввод2. Подается сигнал на отключение ВВ2;
23. Ожидание отключения ВВ2;
24. ВВ2 отключен. Нагрузка2 обесточена. Управление ВВ2 и СВ более не производится до сброса ошибки.
ОСНОВНЫЕ ОСОБЕННОСТИ
- Регулировка времени задержки включения нагрузки;
- Регулировка времени задержки отключения нагрузки;
- Регулировка времени задержки возврата на приоритетный ввод;
- Работа с приоритетным вводом или без;
- Индикаторы состояния вводов и текущего состояния устройства;
- Возможность дистанционной блокировки кнопок лицевой панели;
- Установка порогов срабатывания по фазному напряжению для каждого из вводов;
- Цепи управления внешними коммутационными устройствами 16А (АС1)/AC230В;
- Возможность удаленного управления и считывания состояний вводов и нагрузок по протоколу Modbus RTU через интерфейс RS485.
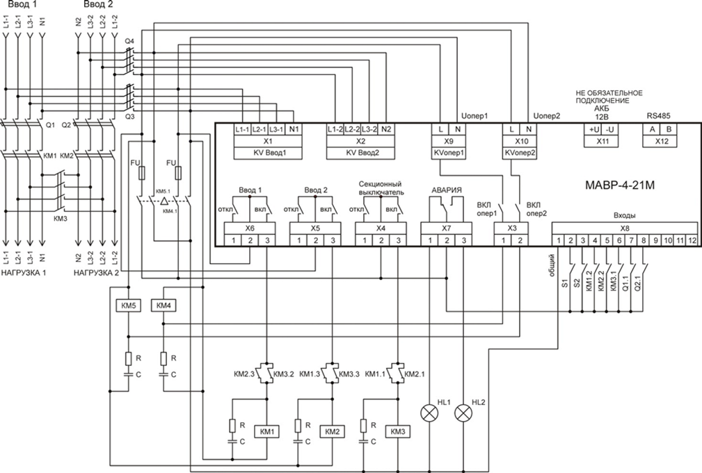
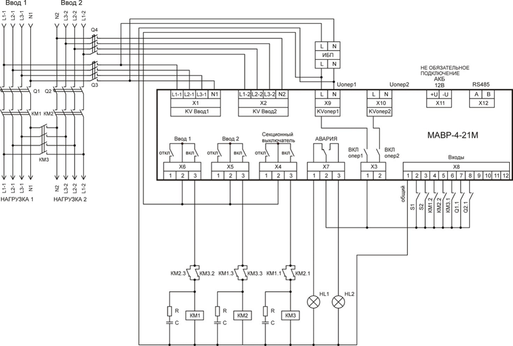
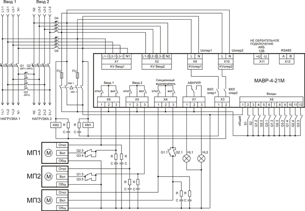
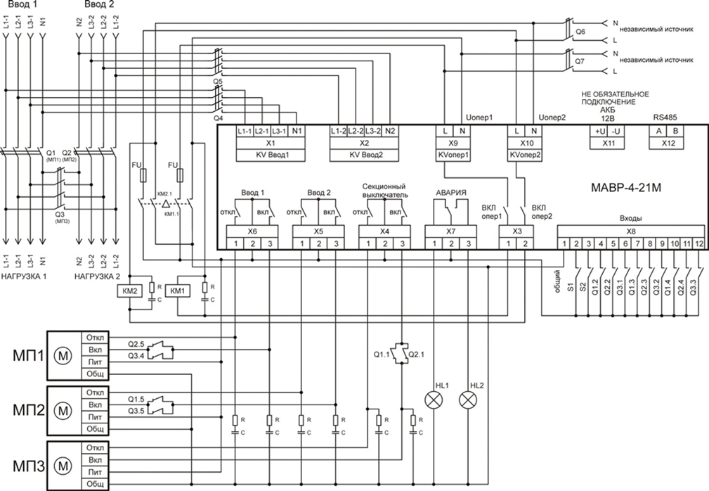
СХЕМЫ ПОДКЛЮЧЕНИЯ АВР
Схема АВР с магнитными пускателями
Схема АВР с магнитными пускателями (для работы модуля в режиме «КМ от ОП»)
Схема АВР c автоматическими выключателями с мотор-приводом
Схема АВР с автоматическими выключателями с мотор-приводом с оперативным питанием от независимых источников питания
ГАБАРИТНЫЕ РАЗМЕРЫ
Отзывы не найдены







