НАЗНАЧЕНИЕ
Модуль автоматического ввода резерва МАВР-4-1М (далее Устройство) предназначен для использования в схеме питания два ввода и одна нагрузка. Устройствот управляет коммутационными механизмами для переключения нагрузок с основного источника питания на резервный (при возникновении аварии на основном вводе) и возврат к исходной схеме питания при нормализации рабочих параметров основного источника питания. Управление коммутационными механизмами осуществляется в ручном или автоматическом режиме. В качестве коммутационных механизмов могут применяться только электромагнитные контакторы.
ПРИНЦИП РАБОТЫ
Устройство позволяет осуществлять резервирование питания нагрузки в нескольких режимах работы Ввода 1 и Ввода 2:
- ВВОД 1 – однофазный, ВВОД 2 – однофазный
- ВВОД 1 – трехфазный, ВВОД 2 – однофазный
- ВВОД 1 – однофазный, ВВОД 2 – трехфазный
- ВВОД 1 – трехфазный, ВВОД 2 – трехфазный
![]() | ![]() |
ОСНОВНЫЕ АЛГОРИТМЫ ФУНКЦИОНИРОВАНИЯ
Автоматический режим, ВВОД1 и ВВОД 2 – однофазная/трехфазная сеть в любых комбинациях
При подаче питания на ВВОД 1/ВВОД 2 Устройство начинает анализировать параметры сети на входе. Для однофазной сети контролируется соответствие напряжения сети заданным верхнему и нижнему порогам срабатывания. Для трехфазной сети контролируется соответствие напряжения на каждой из фаз заданным порогам, а также порядок чередования, обрыв и слипание фаз. Если все параметры сети в норме, то устройство отсчитывает задержку включения, после чего подключает нагрузку к приоритетному вводу. Если на приоритетном вводе происходит аварийная ситуация, Устройство начинает отсчет задержки отключения аварийного ввода, после чего подключает нагрузку на резервный Ввод, если параметры его работы находятся в допустимых пределах. Если и резервный Ввод неисправен, по окончании отсчета нагрузка отключается от аварийного ввода и остается без питания до момента, пока на одном из вводов параметры сети не будут соответствовать заданным. При восстановлении параметров приоритетного ввода Устройство отсчитает задержку возврата на приоритетный ввод + задержку включения и подключит нагрузку.
Ручной режим, ВВОД1, ВВОД2 – однофазная/трехфазная сеть в любых комбинациях
При подаче питания на ВВОД 1/ВВОД 2 Устройство начинает анализировать параметры сети на входе. Для однофазной сети контролируется соответствие напряжения сети заданным верхнему и нижнему порогам срабатывания (устанавливаются поворотными переключателями на тыльной стороне устройства). Для трехфазной сети контролируется соответствие напряжения на каждой из фаз заданным порогам, а также порядок чередования, обрыв и слипание фаз. Если все параметры сети в норме, то на лицевой стороне напротив соответствующего ввода загораются зеленые индикаторы – "готов". После чего Устройство переходит в режим ожидания команды управления. При получении команды "ВВОД1" или "ВВОД2" устройство осуществляет подключение нагрузки после отсчета задержки включения. При возникновении аварии на основном вводе начинается отсчет задержки отключения аварийного ввода, после чего нагрузка отключается от сети до момента восстановления параметров работы ввода или до получения команды на подключения на другой ввод. При получении команды "СТОП" Устройство отключает нагрузку от сети. При получении команды "АВТО" Устройство переходит в автоматический режим работы. Если в автоматическом режиме работы будет дана команда включения ВВОДА 1 или ВВОДА 2 Устройство перейдет в режим ручного управления.
Защита от циклического переключения между вводами и циклического подключения/отключения (ошибка однократности):
Если произошло включение нагрузки на ввод и затем в течение времени однократности пропала готовность ввода и это привело к отключению нагрузки (готовность отсутствовала дольше времени отключения), делается вывод о том, что нагрузка оказывает влияние на ввод (например, перегрузка ввода), нагрузка отключается от ввода, фиксируется ошибка однократности. Дальнейших попыток подключения нагрузки к неприоритетному вводу не производится. К приоритетному вводу нагрузка будет подключаться всегда. При выключенном приоритете оба ввода считаются неприоритетными.
При включенном режиме двухкратности подключение нагрузки, пропажа готовности и отключение нагрузки должны произойти дважды подряд, чтобы было зафиксировано аварийное состояние.
Авария однократности сбрасывается после 5 секунд успешной работы от любого ввода, либо при смене режима работы.
Диаграмма МАВР-4-1М
Пояснения к диаграмме работы
ВАЖНО! Для безаварийного приёма нагрузки следует учитывать нагрузочную способность вводов. Подключение дополнительной нагрузки на рабочий ввод может вызвать просадку напряжения на вводе и срабатывание автоматики защиты.
- На Ввод1 появляется готовность на время меньше tвкл. Включения не происходит.
- На Ввод1 появляется готовность. Через время tвкл. происходит включение КМ1 и подключение нагрузки на Ввод1.
- На Ввод2 появляется готовность.
- Готовность Ввод1 пропадает на время меньше tвыкл. Отключения нагрузки от ввода не происходит.
- Готовность Ввод1 пропадает. Через время tвыкл. происходит отключение нагрузки от ввода.
- Ввод2 готов. Через время tвкл. происходит включение нагрузки на Ввод2.
- Готовность Ввод1 появляется на время меньше времени приоритета. Переключения на приоритетный Ввод1 не происходит.
- На Ввод1 появляется готовность. Через время tприор происходит отключение нагрузки от Ввод2, еще через время tвкл. нагрузка подключается к Ввод1.
- Ранее, чем через tоднокр., пропадает готовность Ввод1 и отсутствует дольше tвыкл. Через время tвыкл. нагрузка отключается от Ввод1. Ошибка однократности. Нагрузка не подключается к неприоритетному Ввод2, не смотря на наличие готовности.
- На приоритетном Ввод1 появляется готовность. Через время tвкл. нагрузка подключается к Ввод1, не смотря на имеющуюся ошибку однократности. Через время работы от приоритетного ввода больше tоднокр. происходит сброс ошибки однократности.
- На Ввод1 пропадает готовность. Через время tвыкл. нагрузка отключается от Ввод1. Через время tвкл подключается к Ввод2.
- Нагрузка подключается к Ввод2. Через время меньше tоднокр. пропадает готовность Ввод2 и отсутствует дольше tвыкл. Нагрузка от Ввод2 отключается. Ошибка однократности. Даже после восстановления напряжения на неприоритетном Ввод2 подключения нагрузки к нему не происходит.
- Восстановление напряжения на приоритетном Ввод1. Через время tвкл. нагрузка подключается к Ввод1.
ОСНОВНЫЕ ОСОБЕННОСТИ
- Регулировка времени задержки включения нагрузки;
- Регулировка времени задержки отключения нагрузки;
- Регулировка времени задержки возврата на приоритетный ввод;
- Работа с приоритетным вводом или без;
- Возможность дистанционной блокировки кнопок лицевой панели;
- Установка порогов срабатывания по фазному напряжению для каждого из вводов;
- Цепи управления внешними коммутационными устройствами 16А (АС1)/AC230В.
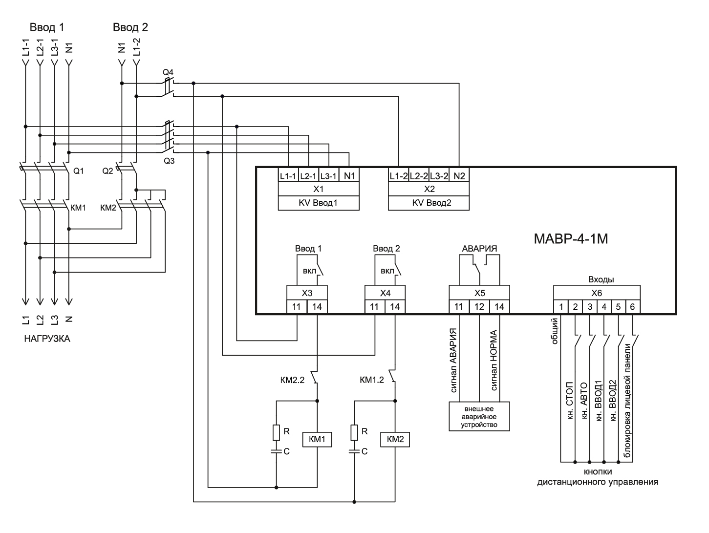
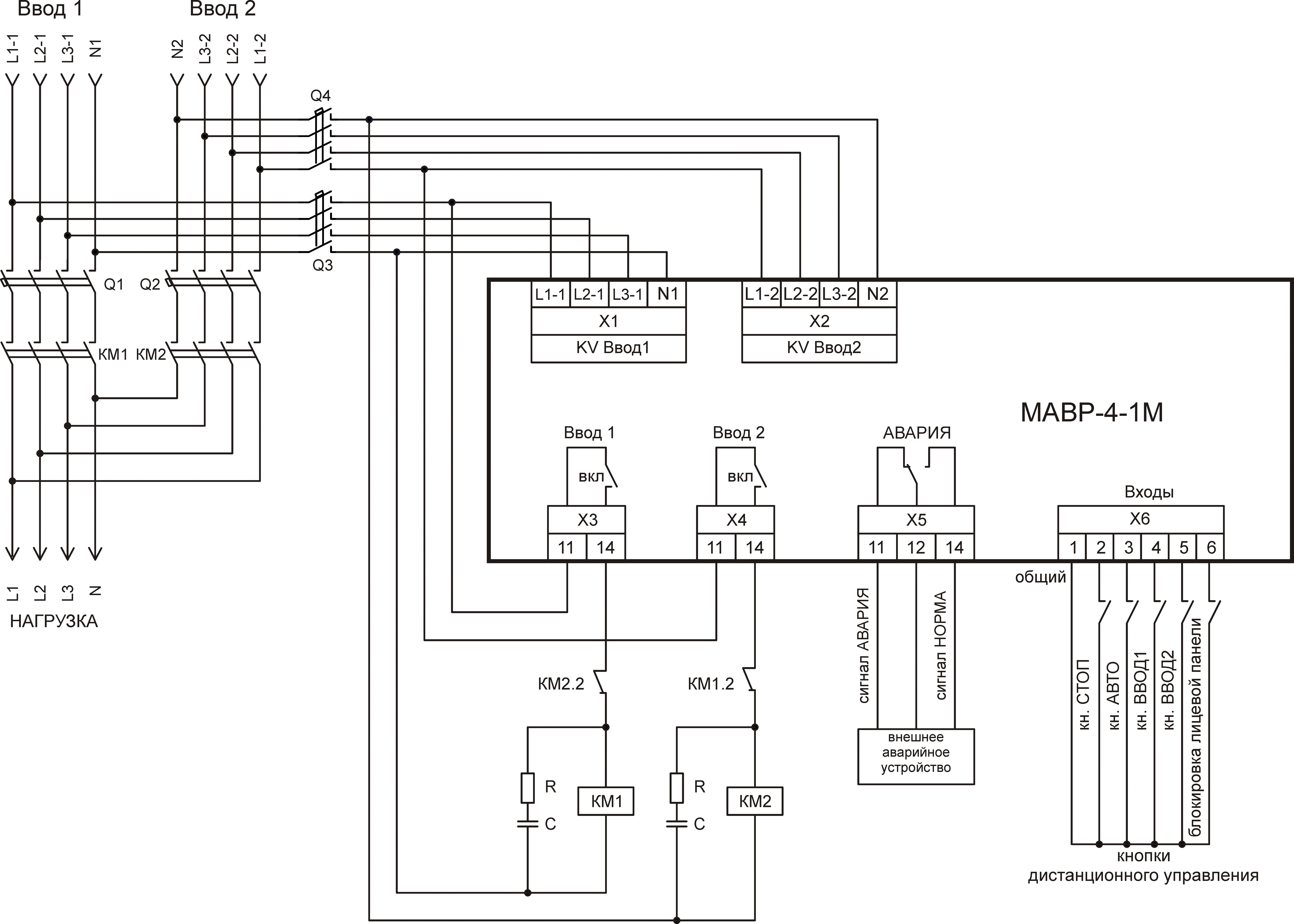
СХЕМЫ ПОДКЛЮЧЕНИЯ АВР
Схема АВР на магнитных пускателях два однофазных ввода
Схема АВР на магнитных пускателях трехфазный ввод и однофазный ввод
Схема АВР на магнитных пускателях два трехфазных ввода
ГАБАРИТНЫЕ РАЗМЕРЫ
Верхний порог переключения фаз Регулируемый (240-295В)
Вес 0.8
Время включения основного ввода при восстановлении напряжения Регулируемое (0,5-120сек)
Габаритные размеры (ШхВхГ) 144х144х48
Гальваническая развязка N проводника контролируемых вводов Есть
Гарантия производителя 2 года
Диапазон рабочих температур -25…+55°С
Количество контролируемых вводов 2
Напряжение питания Переменное
Напряжение питания AC (переменное) 150-330
Нижний порог переключения фаз Регулируемый (165-220В)
Относительная влажность воздуха до 80% (при 25°С)
Работа с приоритетной фазой Есть
Сечение подключаемых проводников 2,5
Срок службы 10 лет
Степень защиты реле по корпусу / по клеммам по ГОСТ 14254-96 IP20/IP20
Страна происхождения Россия
Частота напряжения питания (АС) 50
Бренд Меандр
Отзывы не найдены






