НАЗНАЧЕНИЕ
Реле ограничения пускового тока МРП-108 (далее устройство) предназначены для уменьшения пусковых токов при включении емкостных нагрузок (например, импульсных БП, драйверов LCD и т.д.).
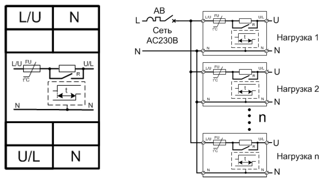
ПРИНЦИП РАБОТЫ УСТРОЙСТВА
При подаче питания, Устройство подключает нагрузку через встроенные токоограничивающие резисторы. После уменьшения пускового тока резисторы исключаются из работы встроенным реле.
ВАЖНО! В конструкции изделия применена одноразовая защита от опасного перегрева устройства. При срабатывании необходимо обратиться в сервисную службу завода изготовителя или к нам для осуществления диагностики и ремонта.
ВАЖНО! В конструкции изделия применено поляризованное электромагнитное реле с двумя устойчивыми состояниями. Одиночные удары во время транспортировки могут привести к самопроизвольному переключению контактов. Неправильное положение контактов перед первым включением реле не является признаком дефектности реле. При первом включении исходное состояние контактов восстанавливается. Не устанавливать реле в зоне повышенной вибрации или рядом с приборами, вызывающими вибрацию при срабатывании (например мощные пускатели и др.).
ОСНОВНЫЕ ОСОБЕННОСТИ
- Ограничение пусковых токов емкостных нагрузок до 8А (устройство гарантирует, что пусковой ток после МРП не превысит 8А)
- Максимальная ёмкость нагрузки 1500 мкФ
- Ток нагрузки - до 8А (для блоков питания время включения которых более 0,4 сек.) и до 3А (для блоков питания время включения которых менее 0,4 сек.)
- Индикация напряжения питания
- Встроенный одноразовый термопредохранитель
- Включается между выключателем и нагрузкой
СХЕМА ПОДКЛЮЧЕНИЯ

ГАБАРИТНЫЕ РАЗМЕРЫ
Вес 0.07
Габаритные размеры (ШхВхГ) 13х93х62
Гарантия производителя 2 года
Диапазон напряжения питания AC (переменное) ±10%
Диапазон рабочих температур -25…+55°С
Напряжение питания Переменное однофазное
Напряжение питания AC (переменное) 230
Номинальный ток нагрузки 3А, 8А
Относительная влажность воздуха до 80% (при 25°С)
Сечение подключаемых проводников 0,5-2,5
Срок службы 10 лет
Степень защиты реле по корпусу / по клеммам по ГОСТ 14254-96 IP40/IP20
Страна происхождения Россия
Тип контактной группы 1 NO
Частота напряжения питания (АС) 50
Бренд Меандр
Отзывы не найдены
